金大财富

【技术】H2S直接制酸的工艺过程及转化冷凝新工艺-生产h酸投入多少资金可以启动

Rose 0

【摘要】

介绍了H2S直接制酸的工艺过程,典型的工业装置,总结了WSA技术的特点,提出了转化冷凝新工艺。

H2S是硫的主要资源之一,广泛存在于天然气、石油炼制、煤焦化、气化、硫酸钡的制造过程以及其他化工产品的生产中,由于H2S是有剧毒的气体,储存、运输多有不便,一个时期阻碍了直接制酸的发展,常常是从酸气中回收硫黄,再利用硫黄制酸,据1996年统计,全世界用H2S制硫黄32.9Mt/a,占硫黄总产量的87%,而H2S制硫黄通常用克劳斯法,其生产装置的建设投资及运行费都很高,高代价生产的硫黄,90%以上用于生产硫酸。

1931年,苏联人阿杜罗夫和格尔涅提出了用H2S直接制硫酸的设想,后为德国鲁奇公司付诸实施,二战后得到了发展。

1

H2S直接制酸的工艺过程

1.1 H2S的燃烧

燃烧炉中1100~1200℃条件下,H2S与空气中的氧作用生成SO2和H2O。

H2S+1.5O2==SO2+H2O+518.6KJ/mol (1)

高温燃烧气经余热锅炉冷却至300-350℃,一部分返回燃烧室以调节燃烧温度,将NOx生成控制在0.01%以内,其余送转化。

大多数情况下用于制酸的原料气中含有H2、CO、烃,有时含有HCN、NH3等,燃烧时产生蒸汽,使燃烧气中水汽含量增加。

在通入稍许过量空气条件下,使酸气中可燃组分完全燃烧的同时H2S全部转化为SO2。

1.2 二氧化硫的氧化

二氧化硫与氧分子直接反应的速度很慢,甚至在高温下都难察觉,工业生产中二氧化硫的氧化是在催化剂作用下实现的。

Cat

SO2+0.5O2=SO3+96.1KJ/mol (2)

工业上使用过的催化剂有氧化铁.铂催化剂,20世纪30年代起被钒催化剂取代。钒催化剂一般由6-8%的V2O5,9-13%的K2O,1%的Na2O,10-20%的SO3和50-70%的SiO2组成,并含有少量Fe2O3、Al2O3、CuO及水分。产品呈圆柱状∮4.5-5.5mm,长5-15mm,或球形、环状或片状,起催化作用的是硫代钒酸钾。

水蒸气浓度高的燃烧气进入转化器后,气相中的水分会吸附在催化剂上,由于催化剂表面硫酸的蒸汽压很低,SO3与水蒸气生成的硫酸会在比正常露点高的温度下冷凝到催化剂上,并溶解其中的硫代钒酸钾使催化剂失活。早期的硫化氢制酸系统中,入转化器前的原料气水蒸气含量要求0.1mg/m3以下,采取的技术措施是转化前设置干燥工序,这种在水汽浓度很低的干气氛中转化的叫干式催化法或干接触法。

通常在填料塔中用93-95%的硫酸与燃烧气逆流接触完成燃烧气的脱水,也可在干燥前面设冷凝冷却器,除去燃烧中大部分水分,以减轻干燥塔的负荷,干燥气与高温转化气换热升温至420℃入转化器,在装有传统钒催化剂上将98%的SO2转化为SO3。

20世纪30年代鲁奇公司开发了在湿气氛中将SO2转化为SO3的湿接触法。

丹麦托普索公司开发的专门用于湿法接触工艺的VKWSA型催化剂是以硅藻土为载体,V2O5为活性组分的黄褐色多楞形,直径为10-12mm的拉西环、堆密度350-320kg/m3,起始活性温度370-380℃,温度430℃,最高耐热温度650℃,使用空速<1000h-1,使用寿命10年。该公司还有一种低温活性好,操作温度380℃的钯催化剂,将它放置在转化器的末端,可在经济条件下达到极高的转化率。

中国某研究院开发的全部用新矿源的优质硅藻土为载体制得的催化剂,有菊花形和环形,黄色或浅黄色,菊花形∮12×4.5×(10-15)mm,环形为∮20×8×(15-20)mm,它们的堆密度0.45-0.55kg/L,耐热后活性≥86%,径向抗压强度≥50N/cm,酸泡强度≥35N/cm,磨耗率≤5.0,质量指标符合Q/SH1170 042-2012,该催化剂工业起燃温度340-360℃,使用温度400-600℃。操作弹性大,使用寿命长,一段入口410-430℃,末端入口400-420℃.据2015年报道已在中国6个石化湿接触法制酸系统中使用。

湿接触法中含水汽燃烧气直接入转化器,在新型钒催化剂上催化氧化SO2,其转化率可达99%。

转化器通常为钢制立式圆筒形设备,内衬耐热材料,内设三段催化剂床层,段间设换热器,干燥气依次经三段、二段、一段换热器吸收转化气的热量,将温度升至420℃入转化器,完成转化反应。湿接触法中出余热锅炉的燃烧气直接入转化器,段间及出口转化气与余热回收系统换热副产蒸汽。采用新开发的水冷却管壳式等温转化器,副产饱和蒸汽,控制汽包压力可灵活、准确地调节床层温度,投资省,操作管理简便。

1.3 三氧化硫与水生成硫酸

干接触法中,转化气与干燥气换热降温后,在填料吸收塔中用浓循环酸吸收生成96%的硫酸,循环酸用水冷却移去吸收热。

SO3(气)+H2O(液)==H2SO4(液)+Q(3)

湿接触法中转化气含SO3外,还有大量水蒸气,SO3与水蒸气生成气态硫酸。

SO3(气)+H2O(气)==H2SO4(气) (4)

400-420℃的湿转化气直接进入冷凝吸收塔,间接冷却使气态硫酸冷凝为液态硫酸(97%)。

H2SO4(气)+0.17H2O==H2SO4(液)+69KJ/mol(5)

鲁奇公司的康开特(Concat)工艺用120℃的硫酸与420-430℃的转化气在文丘里管内并流接触完成硫酸的冷凝,冷凝温度为180-230℃,此为直接接触热冷凝工艺。

鲁奇公司早期开发的湿接触工艺中采用填料冷凝塔,用冷硫酸与热转化气逆流接触完成硫酸冷凝,此为直接接触低温冷凝工艺。

托普索公司的专利技术中,硫酸冷凝器是管壳式降膜冷凝吸收设备,换热管用玻璃制成,转化气自下而上流动,冷凝的浓硫酸沿管内壁自上而下流动,气液在液膜表面接触,完成硫酸冷凝和SO3的吸收。壳程由空气鼓风机送入的空气冷却,顶部排出的尾气与过剩的冷却空气汇合,从烟囱放空。产品酸由塔底排出,入冷凝器转化气208℃,尾气出口温度80-100℃,入口冷却空气为常温,出口211℃。

托普索专利冷凝塔壳体材质为ST37(10号钢),换热管∮41×7000mm石英玻璃管,管上口稍粗为∮48mm,粗口管管内装有厚度为1.8mm的聚四氟乙烯(PTFE)丝网,丝网除雾层下挂有一根聚四氟乙烯线绳作为液体硫酸往下流的导线。玻璃管与碳钢管板的固定处均有聚四氟乙烯衬套。处理12000m3/h制酸装置,冷凝器换热管为934根。

中国H2S制酸ECOSA硫回收工艺中,研发的横向布管呈正三角形的玻璃管,硫酸蒸汽冷凝管,能提高冷凝强度,增大雾滴粒径。

采用高翅片横管空冷器效果更好,投资省,操作管理方便。

2

典型工业装置

2.1 干接触酸吸收制酸装置

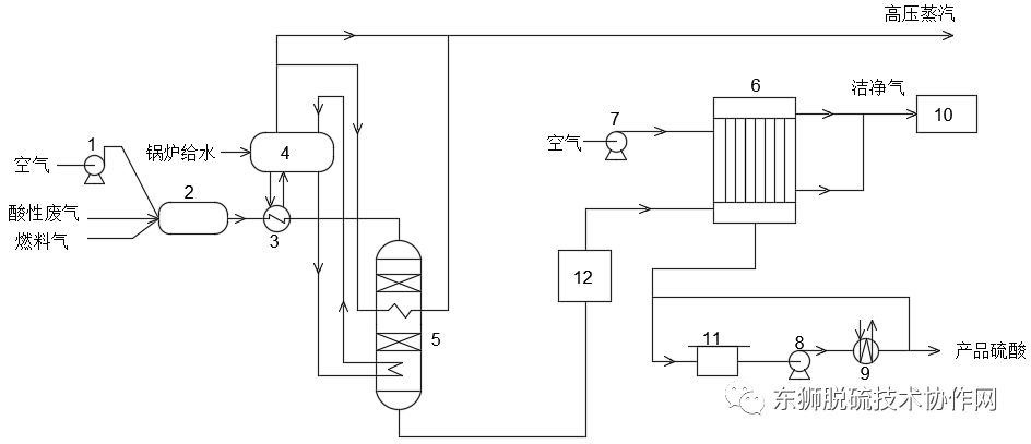
1972年西德一座焦化厂焦炉气脱硫采用AS法(氨-硫循环法),再生排出的酸气用干接触法转化酸吸收制酸,工艺流程如图1。

图1 干接触酸吸收制硫酸工艺流程图

1.空气鼓风机;2.燃烧炉;3.燃烧气鼓风机;4.气体冷却器;5.气体过滤器;6.干燥塔;7.转化气/干燥气换热器;8.二段转化气/干燥气换热器;9.一段转化气/干燥气换热器;10.转化器;11.吸收塔;12.烟囱;13/15.冷却器;14.酸槽。

空气鼓风机1送来的空气与再生气进入燃烧炉2在1050℃下燃烧H2S生成SO2(式1),再生气中的NH3,HCN按(6)、(7)分解:

2NH3+3/2O2==N2+3H2O (6)

2HCN+5/2O2==N2+2CO2+H2O (7)

余热锅炉出口燃烧气300-350℃,回收余热副产3.92MPa饱和蒸汽。出口燃烧气部分用燃烧气鼓风机3送回燃烧炉入口,以调节炉内温度,控制NOx.SO3的生成。燃烧气从气体冷却器4下部进入,自下而上经直接、间接冷却至25-30℃,燃烧气中过剩水蒸气冷凝,底部排出的冷凝水含SO210-12g/L,含SO30.2-0.5g/L,用脱硫装置中氨水蒸馏塔排出的含有少量游离氨的废水中和。

顶部排出的燃烧气,经气体过滤器5过滤分离出雾滴后,从干燥塔6下部进入,自下而上与上面喷洒下的96%的成品酸逆流接触吸收燃烧气中残余的水蒸气,塔顶排出的干燥气经转化气/干燥气换热器7,二段转化气/干燥气换热器8,一段转化气/干燥气换热器9,升温至420℃左右,从转化器10顶部进入,经一、二、三段催化剂床层将98%SO2的转化为SO3,从吸收塔11下部进入,自下而上与上面喷下的浓硫酸逆流接触,用浓硫酸中的水分吸收SO3成酸。塔顶排出的50℃的尾气经80m高的烟囱放空,塔底排出的硫酸经冷却器13降温,酸槽14送回吸收塔,另一部分用冷却器15冷却后送干燥塔,其余为成品酸。操作数据如表1。

表1 操作数据

硫酸

产量,t/a

浓度,质量%

含SO2,质量%

N2O3含量,质量%

SO2转化率,%

64.9

96.2

0.04

<0.01 ①

98.9

尾气

SO2

SO3

NO2

转化率

% ②

副产蒸汽t/h

含量,g/m3

总量,kg/h

含量,g/m3

总量,kg/h

含量,体积%

总量,kg/h

2.20

34.3

173

2.6

0.007

0.4

94.9

6.8

注:① 添加3.5L/h肼后的含量;② H2S和添加S转化为硫酸的转化率。

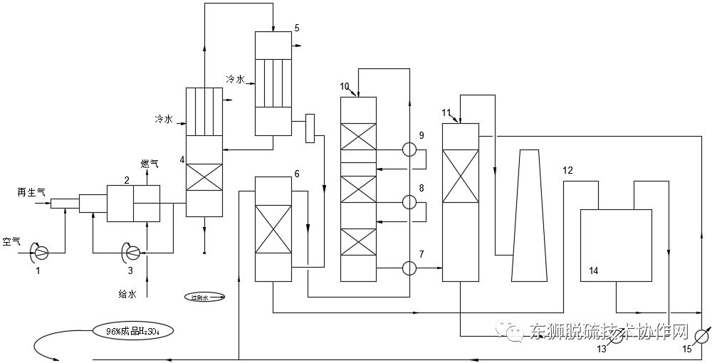
2.2 湿接触直接冷凝制酸装置

20世纪80年代,山西化肥厂从德国鲁奇公司引进一套30×104t/a合成氨装置,其中,原料气低温甲醇洗净化系统排出的酸气含CO296.56%,H2S2.17%,烃2.12%,N285%(体积),用康开特法生产78%的硫酸2690kg/h,排放尾气SO20.02%(体积)。

2.2.1 工艺流程 图2

图2 硫化氢制酸原理流程图

A-01烟囱;A-02事故烟囱;B-01酸槽;B-02酸槽;B-03水槽;C-01转化器;C-02冷凝文丘里;C-03冷却塔;C-04捕雾过滤器;D-01烧炉;D-02预热器;F-01空气过滤器;F-02空气过滤器;F-03烛式过滤器;P-01酸循环泵;P-02成品酸泵;P-03循环酸泵;P-04冷却水泵;V-01燃烧空气风机;V-02喷射空气风机;V-03空气风机;V-04燃料气风机;W-01空气预热器;W-02酸气预热器;W-03酸冷却器;W-04成品酸冷却器;W-05余热锅炉

2.2.1.1 酸气中H2S、有机硫燃烧的最低温度为750℃。

燃料气经燃料气鼓风机V-04加压,从燃烧炉预燃烧室前面的喷嘴进入。经空气过滤器F-01过滤后的燃烧空气,再由燃烧空气风机V-01加压,空气预热器W-01预热到500℃,与未预热的空气混合,控制温度300℃,作为一次空气用喷射空气风机V-02送燃烧炉D-01预燃烧喷嘴,在空气过剩条件下1100-1300℃下燃烧,W-01出口500℃的空气由2个装有喷嘴的环形导管入燃烧炉前、后燃烧室作为二次空气。

酸气经酸气预热器W-02与空气预热器W-01出口燃烧气换热,温度升到300℃,再由装有喷嘴的环形导管,从燃烧炉预燃烧室出口加入,与来自预燃烧室的预燃烧气混合,酸气中的可燃物完全燃烧,至燃烧气中最低残余氧含量为2%(体积),气体温度750℃以上。

酸气热值较高时,经燃烧室温度调节器自动减少燃料气入炉流量,若燃烧室温度继续升高,通过第二温度调节器操作空气管道上的冷空气蝶阀,经环形管将冷空气加入燃烧炉。

2.2.1.2 余热回收

燃烧器D-01出来的燃烧气,经余热锅炉W-05回收热量产生20巴的饱和蒸汽。空气预热器W-01预热器二次空气到500℃,一次空气预热到300℃,经酸气预热器W-02将酸气加热到300℃,余热锅炉烟气出口温度700℃,W-01出口烟气600℃,W-02出口烟气450℃,余热锅炉产生20巴(绝压)饱和蒸汽,经压力调节装置送5.5巴蒸汽管网。

2.2.1.3 转化

酸气预热器W-02出口燃烧气从转化器C-01顶部进入,经三段钒催化剂床层,将SO2催化氧化为SO3。一段和二段床层出口喷入冷凝空气,以调节第二、第三段催化剂在适宜温度下操作。转化器中心安装了混合器,以使先转化的气体与冷激空气混合均匀。

2.2.1.4 冷凝

转化器底部排出的转化气(~420℃),从冷凝文丘里C-02顶部进入,从酸槽B-01来的浓硫酸经酸循环泵P-01(~120℃),从冷凝文丘里C-02上部喷淋,SO3与H2O生成H2SO4,冷凝吸收生成98%的成品酸。冷凝文丘里底部热酸经酸冷却器W-03冷却后入酸槽B-01.酸槽B-01酸用成品酸泵P-02加压,成品酸冷却器W-04冷却后送成品酸罐区。

冷凝文丘里C-02出口气(~125℃),从冷却塔C-03顶进入与塔上部喷下的40%的硫酸并流接触冷却,塔底排出的稀酸经酸槽B-02,酸泵P-03打回冷却塔,另一部分稀酸进入98%硫酸系统。

冷却塔下部排出的气体,经捕雾过滤器C-04和烛式过滤器F-03,用软水扑集气体带出的酸雾。除雾后的气体经烟囱A-01放空。捕雾过滤器C-03,烛式过滤器F-03底部排出的硫酸入酸槽B-02。

开车时,燃料气经预热器D-02燃烧,间接加热空气,用来给转化催化剂升温。

2.2.2 主要设备

燃烧器:∮2800×12030mm,卧式,壳体为碳钢,内衬耐火砖,前区工作温度1100-1300℃,后区工作温度750-800℃,1台,60t/台,热负荷33.67×106kj/h(正常)。

转化器:∮6800×11360mm,立式圆筒形,壳体为低合金钢,内衬耐火砖,V=330m3,内装3段催化剂,共32m3,工作温度:顶部450℃,下部423℃,工作压力1.09巴,设备质量120t,1台。

冷凝文丘里:∮2200/∮3600×11000/10400mm,立式圆筒形。壳体为碳钢,内衬铅/耐酸砖,V=135m3,工作温度顶部423℃,下部125℃,工作压力1.05bar,内装鞍形填料9.5t,设备质量175t,1台。

冷却塔:∮3600×8850mm,立式圆筒形,壳体为碳钢,内衬铅/耐酸砖,V=75m3,内装鞍形填料,14t,工作温度顶部165℃,下部60℃,设备质量76t。

2.2.3 主要工艺参数,表2。

处理气量,Nm3/h

甲醇洗送来酸气

21488

氨回收送来酸气

652.6

硫酸生产能力

100%H2SO4,t/h

2.69

酸气H2S,

体积%

2.137

尾气SO2,

体积%

~0.025

SO3

10-6

100

硫酸产品规格

H2SO4%(质量)

≥78

消耗

燃料气(热值10551Kj/Nm3),Nm3/h

850

化学软水(3bar,30℃),kg/h

~3900

锅炉给水(40bar,150℃),kg/h

1730

冷却水(32℃),m3/h

666

电(轴功率),KW

653

副产蒸汽(5.5bar,175℃),kg/h

1680

装置占地,m

25×58

操作人员,人

操作1,控制室四班共8

设备数量,台

36(总质量800t)

管道数量,m

2800

投资(设备,管道),万元

~400

2.3 湿接触冷凝制酸装置

云南某化工分公司低温甲醇洗气体净化装置,排出的浓缩酸气用托普索公司的WSA技术制酸于2009年8月投产,三年多来开工率达95%以上,尾气SO2合格率100%,工艺流程如图3。

自低温甲醇洗装置送来的酸气经分离器(图中未表示)分离回收甲醇后与空气鼓风机1送来的空气及燃料气一起入燃烧炉2,酸气中H2S完全转化为SO2,燃烧气经余热锅炉3降温回收,燃烧气的余热产生高压蒸汽送汽包4,出口燃烧气从转化器5顶部进入,经两段催化剂床层将SO2转化为SO3,转化器一、二段间设内置换热器,换热器管内通汽包送来的高压蒸汽,以冷却一段转化气,使二段转化催化剂入口温度在最佳范围内。转化器底部排出的转化气从冷凝器6下部进入,自下而上沿冷凝器换热管内壁上升,被管外由空气鼓风机7送来的常温空气冷却,冷凝液沿管内壁下流与自下而上流动的转化气逆流接触,不断被浓缩,生成的浓硫酸雾集在冷凝器底部排出,经硫酸贮槽11,酸泵8,酸冷却器9冷却,一部分作为商品送酸库,其余作为冷却循环酸回硫酸贮槽。

图3 WSA尾气制酸装置工艺流程

1/7.空气鼓风机;2.燃烧炉;3.余热锅炉;4.汽包;5.转化器;6.冷凝器;8.酸泵;9.酸冷却器;10.烟囱;11.硫酸贮槽;12.酸雾控制器

冷凝器前设有酸雾控制器12,利用硅油的燃烧产生SiO2晶核将酸雾聚集成酸滴,酸滴在冷凝器内长大析出,减少酸雾生成。

冷凝器上部排出的不凝性气体,经除雾器除雾后,经烟囱10放空。

主要工艺参数如表3。

运行中的问题及改进:

①取消了燃烧炉空气鼓风机,改用仪表空气;

②多次发生转化器内置换热器泄露,导致下段催化剂结块、粉化严重,床层阻力达7.2KPa,进行筛分处理。

③冷凝器为一台立式列管降膜设备,换热管为耐酸抗震硼硅玻璃制作,管内设螺旋线。运行中有少数管破裂,其中,多发生在安装过程和降温紧急停车过程中。少数管子破裂并没影响装置的效能。用聚四氟乙烯制作的堵头堵住上下管板上的破裂管。由于管外空气与管内气体压差>0.5KPa,不会因工艺气漏入管外造成设备腐蚀,冷却器上下管板衬聚四氟乙烯,其余5块支承管板及外壳未喷涂,不耐酸腐蚀。

表3 主要工艺参数

酸气成分

CO2

H2S

CnHm

CH3OH

Σ

含量,体积%

55.84

40.53

3.45

0.18

100.00

日期(2012年)

9月平均

10月平均

11月平均

12月平均

尾气SO2,mg/m3

142.27

157.86

138.10

176.83

温度测点

燃烧炉内

余热锅炉出

转化炉入

二段床层入口

冷却器入最佳

温度,℃

930-970

400-420

405

380-390

280-290

温度测点

冷凝器入空气

冷凝器出酸

酸槽酸

冷凝器出尾气

冷凝器出空气

温度,℃

常温

30-40

<85

90-100

~200

燃烧空气过剩系数

转化器,总转化率,%

VK-WSA装

余热锅炉压力

成品酸

制酸装置压力降

生产能力

≥1.1

≥99

809m3

>5.5MPa

≥98%(质量)

~10KPa

67t/d

冷凝器上管板鼓泡严重,可能是冷却空气鼓风机跳车后,未及时停运燃烧炉空气鼓风机,导致上管板管鼓泡。上管板温度130℃,正常运行时尾气温度110℃就紧急停车。

④酸雾控制系统中找到了硅油加入量与酸雾量的关系曲线,按最佳加入量添加硅油,减少了尾气酸雾含量。

⑤外运酸管用316L不锈钢材质作,抗蚀性强,运行中弯头部位多次泄露,该处宜设备用管线。

⑥烟囱壁厚12mm,2012年8月测量最薄处仅5.8mm,除减少酸雾量外,还应控制好烟囱气体温度,通常尾气控制在90-110℃,冷凝器出口空气应在200℃以上。使混合气达160℃以上。

3

总结

①用H2S直接制酸比先回收硫磺再用硫磺制酸更经济合理。

②H2S的燃烧可借鉴克劳斯炉,硫黄焚硫炉的经验,因地制宜处理。

③与干接触吸收成酸工艺相比,湿接触冷凝成酸工艺更简便易行,采用水冷却等温转化技术可取得更好的技术经济效果。

④采用直接冷凝或间接冷凝成酸工艺,都能取得满意的结果。

⑤WSA(Wet gas Sulphuric Acid)工艺流程短,设备少,投资省,能耗低,运行经济,操作管理简便灵活,不受原料来源及H2S浓度的限制,能达到各种环境排放标准的要求。硫回收率可达99.9%以上。

⑥中石化某分公司是中国第一套WSA装置,能力60kt/a,处理量20000Nm3/h,入转化器燃烧气SO23.8%,O214.5%,H2O7.8%,CO21.5%,N272.4%,副产蒸汽2.002t/t酸,装置于2001年建成投产。

随后又在多个石化采用了WSA技术,将来会有更多的炼厂采用WSA,从酸气中回收硫直接制取硫酸,不再用克劳斯法回收硫黄,再用硫黄制酸了。

根据市场需要,也可以副产液体SO2或其它硫产品。

WSA已在炼油、冶金、石化、煤焦化、气化、粘胶纤维等行业广泛应用,未来将会为更多领域创造效益,满足各种用户的不同需要。

三次元光学影像测量仪

影像三次元

影像测量系统

相关内容